Контакты
Новости
Каталоги
 Войти
Сортировать:
Сначала новые
Сначала старые
Цена ↑
Цена ↓
Кол-во ↑
Кол-во ↓
Имя A→Я
Имя Я→A
Серийник ↑
Серийник ↓
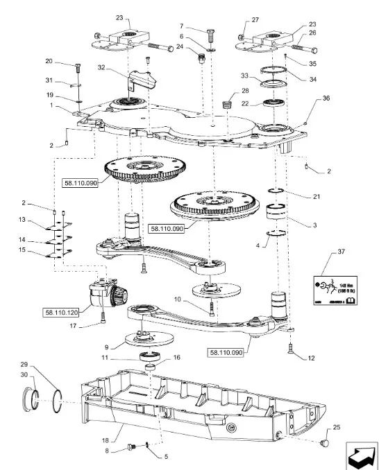
47403798 - Шайба толщинная 0,1мм фланца вала вх./2го КПП TJT9./St.
1 260 ₽
370568A1 - Держатель вала 5го КПП TJT9./St.
36 536 ₽
427561A1 - Шайба толщинная 0,3 мм фланца крестовины КПП TJT9./St.
4 131 ₽
47517242 - Ремень привода вентилятора выдува 2097мм CX6 сн после 952
21 137 ₽
87554854 - Задний брызговик
42 001 ₽
90355669 - Ремень прив. изм. с шкива гл. 4170мм CS, CSX, CX6
22 107 ₽
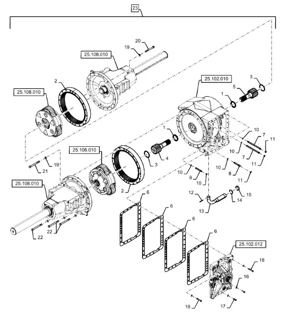
86623593 - Подшипник кон. в сб. вала КПП / редукт. ДВС TJ T9./St. CX8, CR
22 623 ₽
87347945 - Набор втулок и роликов подв. сид. опер. TGT8./Mg., TJT9./St.
10 098 ₽
47783488 - Ремень привода вала колпака противопыльного вент. охл. CX6
3 955 ₽
84605370 - Сальник хвостовика моста задн. T9./St.
23 086 ₽
84214564 - Фильтр топл. тонк. оч. ДВС TD5.110/JX110, H8040/WD1203
760 ₽
5801625923 - Сальник передн. коленв. ДВС Cursor10/13 T9 T9./St., CR
5 281 ₽
84284907 - Масляный фильтр двигателя
1 816 ₽
504122542 - Блок упр. ДВС Cursor9/10/13 вся техн. CNH, Axion9
161 104 ₽
504045796 - Прокладка теплообм. ДВС Cursor8K/10/13 T9,T9.505/St., CR, Str., Tr.
1 154 ₽
427679A1 - Кольцо стоп. толщ. 2,9мм вала КПП TJT9./St.
1 421 ₽
47582431 - Вал 3й в сборе КПП T9T9./St.
555 641 ₽
5162623 - Кольцо стоп. шестерникорп. муфты Е,D,19й скор. КПП TMT7/MXMPm, T6090
120 ₽
352821A1 - Кольцо толщинное 0,25мм вала КПП TJT9./St.
684 ₽
352819A1 - Кольцо толщинное 0,18мм вала КПП TJT9./St.
598 ₽
342028A1 - пластина
21 932 ₽
226494A2 - Прокладка толщ. 0,13мм крышки дифф. моста TJT9./St.
7 155 ₽
418107A1 - Потенциометр регулировки темп. конд. на пан. приб. TJT9/St.
4 064 ₽
238-6373 - 6373 Кольцо упл. хвостовика моста заднего Т9./St.
1 813 ₽
«
<
1
...
5
6
7
8
9
...
34117
>
»
Страница:
Перейти